Ajax

AJ15

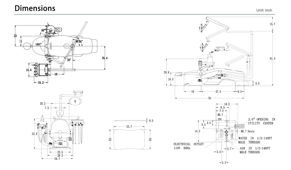
Teknik Özellikler
  • 3 programlanabilir pozisyona sahip hidrolik sandalye
  • LED sensör ışığı
  • 60 derece koltuk dönüşü
  • Sandalye güvenli anahtarı
  • 2 tripleks, 2 fiber optik yüksek hızlı hat, 1 hava düşük hızlı hat
  • Şehir/şişelenmiş su sistemi
  • Sallanan tükürük hokkası ünitesi ve yardımcı ünite
  • 1 HV 1SE emiş hatları
  • 1 dişçi taburesi
  • Sol ve Sağ Değiştirilebilir

 

AJ15 Dental Unit katoloğunu incelemek için tıklayınız...

SARF SATIŞ MAĞAZASI
+90 545 455 72 75
CİHAZ SATIŞ MAĞAZASI
+90 544 488 58 70